- 苏正气动硬密封蝶阀D643W-16P
详细信息
品牌:苏正 型号:D643W-16P 加工定制:否 结构形式:偏置板式 材质:不锈钢 连接形式:法兰 适用介质:水;蒸汽;油品;弱酸碱介质 压力环境:常压 工作温度:常温 驱动方式:气动 流动方向:单向 类型:二通式 公称通径:200 mm 口径:DN200 标准:国标 用途:截止 一、气动法兰硬密封蝶阀 产品概述
气动法兰硬密封蝶阀是由高精度气动执行器与硬密封蝶阀组成,气动法兰硬密封蝶阀具有功能强,体积小,轻便宜人,性能可靠,配套简单,流通能力大,特别适合于介质是粘稠,含颗粒,纤维性质的场合。气动法兰硬密封蝶阀可广泛应用于食品、环保、轻工、石油、化工、教学设备、造纸、气力等行业的工业过程自动控制系统中。
二、气动法兰硬密封蝶阀 主要技术参数公称通经DN(mm) 50~800 公称压力PN(MPa) 0.6 1.0 1.6 密封试验(MPa) 0.66 1.1 1.76 强度试验(MPa) 0.9 1.5 2.4 适用温度 -40℃~350℃ 适用介质 水、空气、天然气、油品及弱腐蚀性流体 泄漏率 符合GB/T13927-92标准 驱动方式 气动 配置执行机构 GT、AT、AW系列单双作用气动执行器 控制方式 开关两位控制、4~20mA模拟量信号控制
三、气动法兰硬密封蝶阀 执行器技术参数执行器型号 GT、AT、AW系列单双作用气动执行器 供气压力 0.4~0.7MPa 气源接口 G1/4"、G1/8"、G3/8"、G1/2" 环境温度 -30~+70℃ 作用形式 单作用执行机构、双作用执行机构 可配附件 定位器、气磁阀、空气过滤减压器、保位阀、行程开关、阀位传送器、手轮机构等
采用新型气动执行器,有双作用式和单作用式(弹簧复位),齿轮齿条传动,安全可靠;大口径阀门采用系列AW型气动执行器拔叉式传动,结构合理,输出力大,有双作用式和单作用式。
1、齿轮式双活塞,输出力矩大,体积小。
2、气缸选用铝金材料,重量轻、外形美观。
3、可在顶部、底部安装手动操作机构。
4、齿条式连接可调节开启角度、额定流量。
5、执行器可选带气讯号反馈指示及附件以实现自动化操作。
6、IS05211标准连接为产品的安装更换提供了方便。
7、两端调的节螺钉可使标准产品在0°和90°有±4°的可调范围。确保与阀门的同步精度。
四、气动法兰硬密封蝶阀 主要零件材料
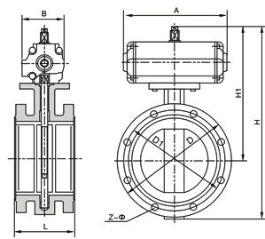
五、气动法兰硬密封蝶阀 安装连接尺寸 六、气动法兰硬密封蝶阀 安装连接尺寸零件名称 材料 阀体 铸钢、不锈钢 蝶板 铸钢、不锈钢及特殊材料 阀杆 2Cr13、不锈钢 填料 O型圈、柔性石墨 公称通经(DN) 法兰尺寸 L
法兰H H1 A 1.0MPa 1.6MPa D D1 n-Фd D D1 n-Фd 50 108 63 315 180 165 125 4-18 165 125 4-18 65 112 70 330 180 185 145 4-18 185 145 4-18 80 114 83 390 245 200 160 4-18 200 160 8-18 100 127 105 431 240 220 180 8-18 220 180 8-18 125 140 115 455 240 250 210 8-18 250 210 8-18 150 140 137 626 350 285 240 8-22 285 240 8-22 200 152 164 720 350 340 295 8-22 340 295 12-22 250 165 206 800 550 395 350 12-22 405 355 12-26 300 178 230 860 600 445 400 12-22 460 410 12-26 350 190 248 883 600 505 460 16-22 520 470 12-26 400 216 289 972 600 565 515 16-26 580 525 16-26 450 222 320 1043 750 615 565 20-26 640 585 16-30 500 229 342 1098 750 670 620 20-26 715 650 20-30 -
-
产品搜索
-
公司相册
扫一扫,手机浏览






